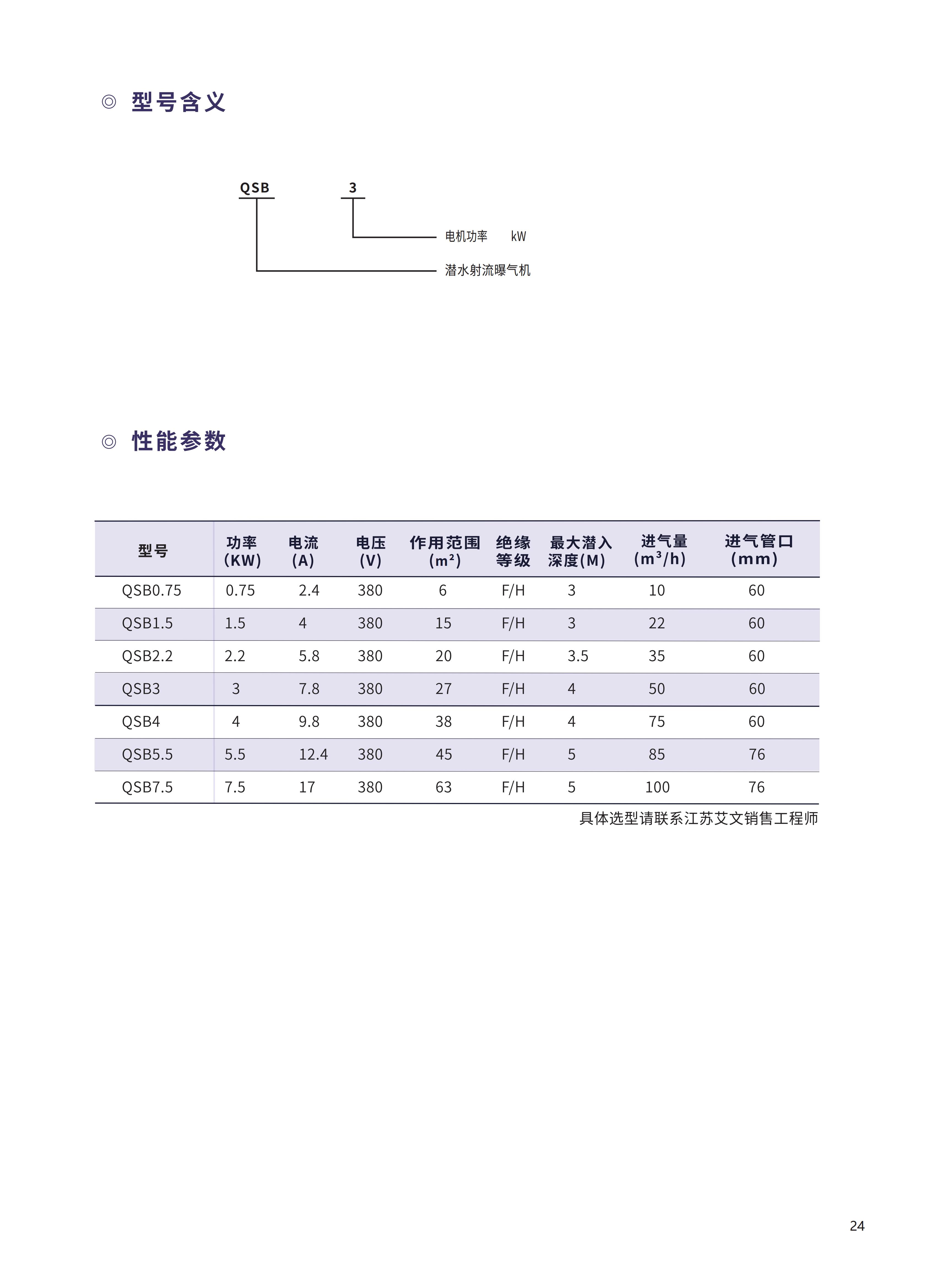
射流曝气机
    发布时间: 2017-01-23 16:46    
射流曝气机

潜水射流曝气机是给水预处理和污水生化处理工艺中的专用曝气设备,用于曝气沉砂池、预曝气池、曝气池、气浮池等曝气和搅拌;也可用于养殖塘增氧和景观水养护。

射流潜水曝气机又称:(射流曝气机、射流潜水曝气机、射流曝气器、水下射流曝气机、自吸式射流曝气机、深水射流曝气、潜水曝气机)射流曝气机是我公司在吸收国外先进技术的基础上研制开发的,技术起点高,节能显著,安全性强,该类产品以其独特的功能,可靠的质量受到了广大用户的欢迎和好评,已被许多用户选为替代进口产品。

射流潜水曝气机特点、构造及工作原理

1、特点

结构紧凑,占地面积小,安装方便。

除吸气口外,其余部分潜入水中,噪音小。

吸入空气多,产生气泡多而细,溶氧率高。 无需提供气源,省去鼓风机,工程投资少。

采用先进技术,叶轮采用无堵塞设计,运行安全可靠。

2、构造及工作原理

潜水离心式曝气机的曝气结构和进水结构合为一体,曝气为圆周方向均匀扩散。

由潜水排污泵,混合室,底座等构成。

曝气为单一方向扇形扩散。均有进气管和消音器。


原 理
潜水泵工作后产生的水流经过喷嘴后形成高速水流,在混合室内由于喷嘴周围形成负压而吸入空气,空气经喉管与高速水流相遇,被撕碎成微气泡与水形成气水混合液,高速喷射而出。夹带大量气泡的水流在较大范围内,产生强有力的单向液流,从而具曝气、搅拌、推流于一身。对推流生化反应池更为适用。

特 点
1、该曝气机由潜水电泵、喷嘴、进气管、扩散管等组成,电泵叶轮为开放式,不易堵塞;
2、选用专为曝气机设计的泵,使用无阻塞污物型高效能叶轮,寿命长;
3、泵用进口永久润滑轴承,长期可靠运行,无须更换;
4、泵用高质量机械密封,密封可靠;
5、曝气机提供两种安装方式,自耦式安装和移动式安装,安装维护方便。

服务热线:13851861511 微信同号

江苏艾文科技有限公司